• Увеличение прибыльности АЗК
+7 (958) 756-82-36ЗВОНОК БЕСПЛАТНЫЙ
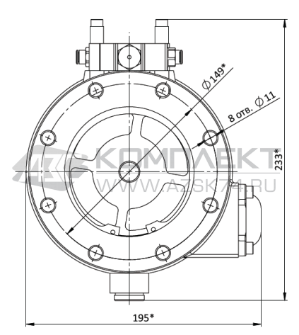
Адаптер рециркуляции ПВС T206-AL40
Адаптер рециркуляции ПВС T206-AL40
Адаптер рециркуляции ПВС T206-AL40

АДАПТЕР РЕЦИРКУЛЯЦИИ ПВС T206-AL40

Код товара: 22476
Нашли дешевле?
Под заказ с центрального склада
Вопрос о товаре?
За подробной информацией обратитесь к нашим экспертам по бесплатному номеру (93)388-1-740

Описание

Адаптер рециркуляции ПВС T206-AL40- один из важнейших узлов, обеспечивающих рециркуляцию паров топлива во время слива/налива. Адаптеры отвода паровоздушной смеси(ПВС) устанавливаются в конце коллектора отвода ПВС ППЦ/АЦ и предназначены для присоединения рукава отвода паров. Конструктивно они представляют собой адаптер с клапанным устройством тарельчатого типа, пропускающим ПВС при присоединении специальной муфты -переходника. Разработан в соответствии со стандартами EN13081 и ADR/ДОПОГ. Благодаря оригинальной конструкции корпуса, адаптер обеспечивает очень высокую (до 46 м/мин)пропускную способность для ПВС в сочетании с минимальной разницей между давлением внутри резервуара и атмосферным давлением. Результатом является отсутствие выбросов ПВС в атмосферу через дыхательные устройства отсеков.

Адаптер изготовлен с минимальным количеством внутренних деталей, что обеспечивает высокую пропускную способность, минимальный перепад давления и лёгкий вес. Оснащен смотровым стеклом и дренажным отверстием.

Технические характеристики:

  • Температура эксплуатации: от -45 ºC до+65 ºC;
  • Масса: 3,5 кг;
  • Материал уплотнения: FKM/NBR ;
  • Материал конструкции: Алюминий;
  • Макс. пропускная способность при загрузке: 46000 л/мин при 69 кПа,
  • Макс. пропускная способность при загрузке при разгрузке: 17000 л/мин при 69 кПа. 

Доставка и оплата

Доставка по России возможна любым удобным для заказчика способом. Возможные варианты:

Транспортная компания «Деловые линии»:
Ежедневно мы отправляем Ваши заказы данной транспортной компанией.
Примерные сроки и стоимость доставки можно посмотреть на сайте транспортной компании или узнать у наших сотрудников.
При выборе данной транспортной компании - доставка до терминала в г. Москва производится за наш счет!

Курьерская компания «СДЕК»:
Примерные сроки и стоимость доставки можно посмотреть на сайте компании. Точные стоимость и сроки доставки может рассчитать наш менеджер. Доставка осуществляется по указанному заказчиком адресу.

Другие транспортные компании и курьерские службы:
Наша компания работает с большинством известных транспортных компаний, таких как GTD (Кашалот), ПЭК, Ратек, Байкал-Сервис, Энергия, Dimex и т.д.
Если у Вас или Вашей организации есть договор с какой-либо транспортной компанией доставляющей для Вас грузы, мы можем передать Ваш заказ представителям транспортной компании у нас на складе.

Другие варианты:
Позвоните нам или напишите, обсудим предложенные Вами варианты.

Для оплаты доступно несколько способов:

Юридическим лицам - безналичным переводом

После оформления заказа и согласования с нашими сотрудниками Вам будет выслан счёт на оплату на Ваш адрес по эл.почте или факсу.

Физическим лицам

К оплате принимаются платежные карты: VISA, MasterCard, Мир.

Для оплаты товара через СБП при оформлении заказа в интернет-магазине выберите способ оплаты: с помощью QR-кода.

Подробнее о способах оплаты

Гарантия

На поставляемое оборудование распространяются заводские гарантии, с обозначенным сроком в паспорте изделия. В случае выхода из строя оборудования до истечения срока гарантийного срока данное оборудование отправляется на завод-изготовитель для выявления причин выхода из строя. Если поломка вызвана заводским браком, то данная неисправность устраняется или оборудование меняется на новое. В этом случае расходы на транспортировку компания «АЗС Комплект» возьмет на себя.

Если поломка вызвана неправильной установкой или эксплуатацией оборудования, транспортные расходы оплачиваются покупателем.

Перед установкой и началом эксплуатации оборудования мы настоятельно рекомендуем подробно ознакомиться со всей сопутствующей документацией, или обратиться в нашу кампанию за профессиональной установкой и обслуживанием приобретаемого оборудования.

Подробнее можно ознакомиться на странице О гарантии.

Отзывы о компании
[Error] 
Undefined constant "ADMIN_SECTION" (0)
/home/bitrix/www/bitrix/modules/cackle.reviews/epilog.php:3
#0: include_once
	/home/bitrix/www/bitrix/modules/main/tools.php:5229
#1: ExecuteModuleEventEx
	/home/bitrix/www/bitrix/modules/main/classes/general/main.php:3737
#2: CAllMain::RunFinalActionsInternal
	/home/bitrix/www/bitrix/modules/main/lib/application.php:371
#3: Bitrix\Main\Application->terminate
	/home/bitrix/www/bitrix/modules/main/lib/application.php:332
#4: Bitrix\Main\Application->end
	/home/bitrix/www/bitrix/modules/main/classes/general/main.php:3703
#5: CAllMain::FinalActions
	/home/bitrix/www/bitrix/modules/main/include/epilog_after.php:61
#6: require(string)
	/home/bitrix/www/bitrix/modules/main/include/epilog.php:4
#7: require_once(string)
	/home/bitrix/www/bitrix/footer.php:4
#8: require(string)
	/home/bitrix/ext_www/azsk74.uz/catalog/index.php:666
#9: include_once(string)
	/home/bitrix/www/bitrix/modules/main/include/urlrewrite.php:128
#10: include_once(string)
	/home/bitrix/www/bitrix/urlrewrite.php:2
----------